WIND AC A KIT 170/200-60 EF AUTO BFT operatore per serrande avvolgibili | Accessori per Infissi
WIND AC A KIT 170/200-60 EF AUTO BFT operatore per serrande avvolgibili
WIND AC A KIT 170/200-60 EF AUTO BFT operatore per serrande avvolgibili
WIND AC A KIT 170/200-60 EF AUTO BFT operatore per serrande avvolgibili | Accessori per Infissi
WIND AC A KIT 170/200-60 EF AUTO BFT operatore per serrande avvolgibili
WIND AC A KIT 170/200-60 EF AUTO BFT operatore per serrande avvolgibili

WIND AC A KIT 170/200-60 EF AUTO BFT operatore per serrande avvolgibili

Disponibilità limitata

225,00 €+ iva

274,50 € IVA inclusa

 

WIND AC A KIT 170/200-60 EF AUTO BFT operatore per serrande avvolgibili

P965005 00001

Kit BFT WIND AC A KIT 170/200-60 EF AUTO è una soluzione professionale per l’automazione di serrande avvolgibili, progettata per garantire elevata affidabilità, sicurezza e facilità d’uso in applicazioni commerciali e industriali leggere. Il kit comprende un operatore per serrande e tutti i componenti necessari per l’installazione e il corretto funzionamento. La coppia massima dell’operatore è di 170 Nm, con una potenza assorbita di 600 W e alimentazione a 230V. Il diametro della puleggia porta molle è di 200 mm, con adattatori inclusi per l’albero e la puleggia. Il controllo della posizione della serranda è gestito da finecorsa elettromeccanici, che permettono di regolare con precisione apertura e chiusura. In caso di interruzione di corrente, il sistema è dotato di uno sblocco con cavo in acciaio e pomello per elettro freno, che consente l’azionamento manuale della serranda in totale sicurezza.


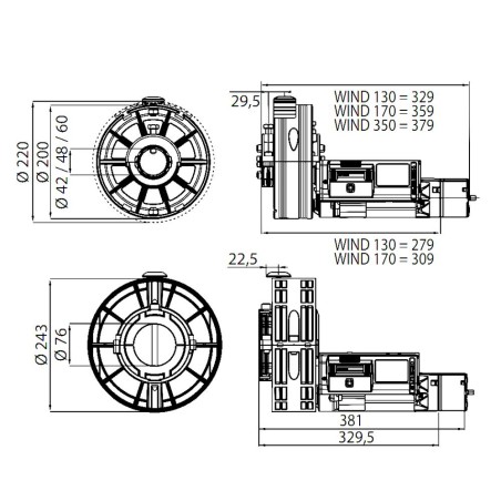
DISEGNO TECNICO 

WIND AC A KIT 170/200-60 EF AUTO


DATI TECNICI

MODELLO WIND AC A KIT 170/200-60 EF AUTO BFT
CENTRALE DI COMANDO LUNA AC B
ALIMENTAZIONE 230V
POTENZA ASSORBITA 600W
DIAMETRO ALBERO 60 mm
DIAMETTRO PORTAMOLLE  200 mm
COPPIA MASSIMA 170 Nm
VELOCITÀ ROTAZIONE 10 Rpm
TIPO DI INTERRUTORI DI FINE CORSA Elettro meccanico
BLOCCO No
REAZIONE ALL'URTO No
GRADO DI PROTEZIONE IP20
CONDIZIONI AMBIENTALI Da -10°C a +40°C
INTERCONNETTIVITÀ No

CARATTERISTICHE TECNICHE

✅  Coppia massima: 170 Nm, per movimentare serrande di medie dimensioni in modo efficiente

✅  Potenza assorbita: 600 W, garantendo prestazioni affidabili senza eccessivo consumo energetico

✅  Alimentazione: 230V, compatibile con la maggior parte degli impianti elettrici standard

✅  Diametro puleggia porta molle: 200 mm, con adattatori inclusi per albero e puleggia

✅  Finecorsa elettromeccanici: consentono un controllo preciso di apertura e chiusura della serranda


BENEFICI

Kit BFT WIND AC A KIT 170/200-60 EF AUTO garantisce massima affidabilità, sicurezza e facilità d’uso, offrendo un controllo preciso della serranda, efficienza energetica e operatività continua anche in caso di mancanza di corrente:

✔️  Affidabilità operativa: progettato per funzionamento continuo in applicazioni commerciali e industriali leggere

✔️  Sicurezza: lo sblocco manuale e i finecorsa garantiscono protezione dell’utente e della serranda

✔️  Facilità di installazione: kit completo con adattatori e componenti pronti all’uso

✔️  Efficienza energetica: consumi bilanciati con alte prestazioni, riducendo costi operativi

2614070
Commenti (0)
Ancora nessuna recensione da parte degli utenti.
Prodotto aggiunto alla lista dei desideri
Prodotti aggiunti alla comparazione